QR kodea
Produktuak
Jarri gurekin harremanetan

Mugikorra

Faxa
+86-574-87168065

Posta elektronikoa

Helbidea
Luotuo Industrial Area, Zhenhai Barrutia, Ningbo hiria, Txina
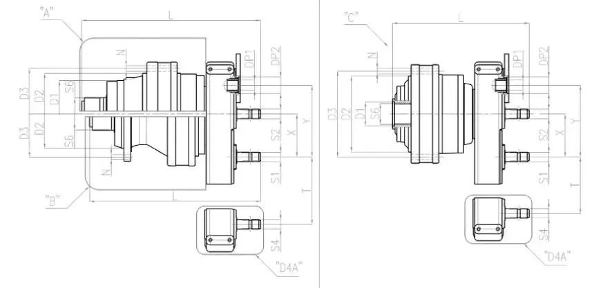
| Eredua | PG-702 | PG-1002 | PG-1602 | PG-1802 | PG-2502 | PG-3002 | PG-3503 | |||
| ratioa i | 18.2 | 18.3 | 13,4-33,6 | 15,7-29,9 | 14.6-20-36.2 | 45.3 | 53.7 | |||
| Irteera mota | B | B | B | C | B | C | A | C | C | C |
| D1 |
|
|
|
88HB |
|
88HB | 245F7 | 102H7 | 102H7 | 122HF |
| D2 | 200F7 | 230F7 | 230F7 | 278F7 | 230F | 278F7 | 340F7 | 340F7 | 340F7 | 340F7 |
| D3 | 250 | 295 | 295 | 314 | 295 | 314 | 370 | 370 | 370 | 370 |
| N | ∅15×N°12 | ∅17×N°10 | ∅17×N°10 | ∅15×N°18 | ∅17×N°10 | ∅15×N°18 | ∅17×N°15 | ∅17×N°15 | ∅17×N°15 | ∅17×N°15 |
| L | 646.5 | 627.5 | 693 | 490.5 | 714 | 499.5 | 798.5 | 595.5 | 601 | 680.5 |
| S6 | 70*64 DIN5482 | 80*74 DIN5482 | 100*94 DIN5482 | 80*74 DIN5482 | 100*94 DIN5482 | 80*74 DIN5482 | 100*94 DIN5482 | 100*94 DIN5482 | 100*94 DIN5482 | 120*22*5 DIN5482 |
| S1 | 1" 3/8 Z6 | 1" 3/8 Z6 | 1" 3/8 Z6 | 1" 3/8 Z6 | 1" 3/8 Z6 | 1" 3/8 Z6 | 1" 3/8 Z6 | 1" 3/8 Z6 | 1" 3/8 Z6 | 1" 3/8 Z6 |
| S2 | 1" 3/8 Z6 | 1" 3/8 Z6 | 1" 3/8 Z6 | 1" 3/8 Z6 | 1" 3/8 Z6 | 1" 3/8 Z6 | 1" 3/8 Z6 |
|
|
|
| DP1 | 40*36 DIN5482 | 40*36 DIN5482 | 40*36 DIN5482 | 40*36 DIN5482 | 40*36 DIN5482 | 40*36 DIN5482 | 40*36 DIN5482 | 40*36 DIN5482 | 40*36 DIN5482 | 40*36 DIN5482 |
| DP2 | 60,3HB | 60,3HB | 60,3HB | 60,3HB | 60,3HB | 60,3HB | 60,3HB | 60,3HB | 60,3HB | 60,3HB |
| X | 157 | 157 | 157 | 157 | 157 | 157 | 157 | 157 | 157 | 157 |
| Y | 262 | 262 | 262 | 262 | 262 | 262 | 262 | 262 | 262 | 262 |
| S4 |
|
|
|
1" 3/8 Z6 |
|
1" 3/8 Z6 |
|
1" 3/8 Z6 | 1" 3/8 Z6 | 1" 3/8 Z6 |
| T |
|
|
|
156.8 |
|
156.8 |
|
156.8 | 156.8 | 156.8 |
| Eredua | ratioa i | D1 | D2 | D3 | D4 | N | E |
| PG-1602 | 22.14-33.6 | 80*74 DIN5482 | 225 F7 | 278 F7 | 314 | ∅15×N°18 | SAE B/SAE C |
| PG-2502 | 20-36.2 | 100*94 DIN5482 | 245 F7 | 340F7 | 370 | ∅17×N°15 | SAE B/SAE C |
| Eredua | ratioa i | D1 | D2 | D3 | N | E |
| PG-161 | 3,55-2,49-5,60 | 40*36 DIN5482 | 110 F7 | 165 | ∅10,5×N°8 | SAE A/SAE B/SAE BB/OMTS |
| PG-251 | 4.13-5.17-6.00 | 58*53 DIN5482 | 150 F7 | 195 | ∅13×N°10 | SAE A/SAE B/SAE BB/OMTS |
| PG-501 | 4.13-5.17-6.00 | 58*53 DIN5482 | 150 F7 | 195 | ∅13×N°10 | SAE A/SAE B/SAE BB/OMTS |
ren garapenaPG serieko elikadura nahastailea engranaje planetarioaTradizional nahasketa-ekipoen transmisio-sistemaren min-puntuak ezagutzeko sakonetik sortzen da. Bere hiru engranaje planetario banatutako transmisio-arkitektura ez da egitura mekanikoen pilaketa soila, baina lehengaien proportzio desberdinetan tentsio-baldintzen simulazio errepikatuaren bidez, engranaje-moduluaren, hortzaren zabaleraren eta helizearen angeluaren urrezko konbinazioa zehazten da azkenean. Esate baterako, arto-zurtoinak eta soja-bazkarien nahasketak prozesatzen dituenean, bere hortz inboluzio bereziaren diseinuak materiala trabatzeko arriskua % 15 murriztu dezake. Zehaztasun handiko artezketa-prozesuarekin, hortzen gainazaleko zimurtasuna Ra0.8 azpitik kontrolatzen da, eta horrek transmisioaren eraginkortasuna % 8-10 handitzen du ohiko engranaje-kutxekin alderatuta. Elikadura-fabrika baten neurtutako datuek erakusten dute eguneko 12 orduko etengabeko funtzionamenduan, engranaje-kutxa honen energia-kontsumoa antzeko produktuena baino % 14 txikiagoa dela, eta nahaste-ardatzaren momentuaren gorabeheraren anplitudea % 22 murrizten dela, eta horrek nabarmen hobetzen du nahastearen uniformetasuna.
Elikagaien lehengaietan sarritan nahasten diren harea, harria eta metal-hondakinak bezalako partikula gogorrentzat, engranaje-kutxa hau material eta prozesuei dagokienez zuzendu da. Engranajearen gorputza 20CrMnTi aleazio altzairuz egina dago. 1,2 mm-ko carburizing-sakonera duen tratamendua itzali ondoren, tenperatura baxuko tenplaketa-prozesu batekin konbinatuta, hortzen erroaren tolesturako neke-indarra 850MPa baino gehiagora igotzen da. Ganadutegi batean lehengaien baheketa osatugabearen lan-baldintzetan, bere picking-erresistentzia 500 orduko harea eta legar-inpaktu etengabeko proba jasan du, eta marradura txikiak baino ez ziren agertu hortzen gainazalean zuritu gabe. Aldi berean, saihets-plaka-diseinua eta eramaile planetarioaren errodamenduen aurrekarga optimizatuz, engranaje-kutxak transmisioaren zehaztasuna mantendu dezake momentu nominalaren 1,5 aldiz momentuko inpaktua jasaten duenean, gainkargak eragindako engranajeak desegokitzeko edo hortzak hausteko arriskua saihestuz.
Engranaje-kutxaren diseinu adimenduna elikadura prozesatzeko industrian funtzionamendu eta mantentze-puntuak sakon ezagutzetik eratorria da. Eraikitako monitorizazio modulu adimenduna ez da datu-biltzaile soila, tenperatura, bibrazio, korronte eta beste seinale batzuen analisi gurutzatua baizik, algoritmo-eredu baten bidez. Esate baterako, errodamenduen tenperatura anormalki altua dela hautematen denean, sistemak kargaren historiako datuak konbinatuko ditu, lubrifikazio nahikoa ez den edo errodamenduen higadura den zehazteko, eta mantenurako gomendio zehatzak bultzatuko ditu. Sistema hau aplikatu ondoren, elikadura-enpresa batek aurreikusi gabeko hiru geldialdi saihestu zituen koipea ordezkatuz eta errodamenduen tartea aldez aurretik egokituz, eta ekipamenduaren eraginkortasun orokorra (OEE) % 18 handitu zen. Horrez gain, bere askapen azkarreko egitura modulararen diseinua lehen lerroko mantentze-lanetako langileen iritzietan inspiratu zen. Lau torloju bakarrik askatu behar dira engranaje planetarioaren ordezkapen orokorra osatzeko, eta mantentze-denbora egitura tradizionalaren 4 ordutik 1,5 ordura murrizten da.
Ingurumenaren babesari eta energia-eraginkortasunaren optimizazioari dagokionez, engranaje-kutxaren diseinu berritzailea elikadura-industriaren beharrak zehatz-mehatz jabetzetik dator, kostuak murrizteko eta eraginkortasuna areagotzeko. Bere beroa xahutzeko egiturak ez du itsu-itsuan handitzen beroa xahutzeko eremua, baina beroa xahutzeko saihetsen espiral angelua eta tartea optimizatzen ditu fluidoen mekanika simulazioaren bidez, beroa xahutzeko eraginkortasun naturala % 30 handitu dadin, eta, horrela, hozte-haizagailuaren energia-kontsumoa murrizten da. Lubrifikazio-sisteman, gune bikoitzeko olio-hornikuntza-teknologia hartzen da olio-bolumena dinamikoki doitzeko kargaren arabera, engranaje-kutxen "uholdea" lubrifikazio-metodoa saihestuz eta lubrifikatzaileen kontsumoa % 25 murriztuz. Europara esportatutako jarioaren ekoizpen-lerro baten benetako neurketak erakusten du engranaje-kutxen zarata maila EBko estandarra baino 5 dB baxuagoa dela eta bere energia-eraginkortasun-maila IE3 estandarrera iristen dela, bezeroei herrialde inportatzailearen energia-eraginkortasunaren ziurtagiria arrakastaz gainditzen laguntzen diela. Xehetasun teknikoak balio komertziala eta balio komertziala sakon lotzen dituen diseinu-kontzeptu hau produktuak merkatuan irabazteko gakoa da.
Kaixo! Elena García naiz, Bartzelonako (Espainia) bezeroa. Urte eta erdi daramagu zure engranaje planetarioa gure panel fotovoltaikoen jarraipen sisteman erabiltzen. Ekipamendu honek eguzkiaren jarraipenaren zehaztasunaren arazoa guztiz konpondu du - aurretik erabili genuen aldagailuak beti zuen 5 gradu inguruko desbideraketa goizero eta arratsaldero, eta kodegailudun zure planetarioen engranaje-kutxak jarraipen-errorea 0,5 gradutan kontrola dezakeen bitartean. Orain panel fotovoltaikoen eguneko batez besteko potentzia-sorkuntza % 18 handitu da lehengoarekin alderatuta, eta argindarraren faktura ere nabarmen murriztu da. Orain engranaje planetario honek itsasertzeko zentral fotovoltaikoko gatz-ihin eta haize bortitzen probari eutsi dio. Engranaje-kutxaren karkasaren korrosioaren aurkako estaldurak ez du erortzeko zantzurik erakutsi, eta barruko engranajearen olioa ez da lehen bezain maiz ordezkatu behar. Etorkizunean energia berriztagarrien proiektu gehiagotan zurekin lan egitea espero dut!
Hans Müller naiz, Alemaniako ingeniari mekanikoa. Duela urte erdi, Raydafon-en engranaje planetarioak erosi nituen ekoizpen-lerroen bertsio berritzeko. Erabili ondoren, nire itxaropenak gainditu zituzten! Ekipoak karga handian funtzionatzen du egunean 16 orduz biskositate handiko lehengaiak prozesatzeko. Aldagailuen zarata % 20 murrizten da, transmisioaren eraginkortasuna % 94 baino gehiagotan egonkorra da, tenperaturaren igoera 25 °C-tan kontrolatzen da beti, eta iraunkortasuna eredu zaharretan baino askoz handiagoa da. Zure taldea profesionala eta eraginkorra izan zen prozesu osoan zehar, parametroen hasierako optimizaziotik, zigilatzeko egituraren doikuntzara urruneko arazketarako gidalerroa. Diseinu zehatzak (hautsik gabeko zigiluak eta muntaketa-zulo estandarizatuak, esaterako) benetako lan-baldintzen ulermen sakona islatzen du. Raydafon-en produktuaren kalitateak eta zerbitzu mailak epe luzeko hornitzaileen zerrendan sartu ninduen zalantzarik gabe, eta biziki gomendatzen didate nire kideei!
Hainbeste urte daramatzat ganadutegi bat zuzentzen eta kaxa asko aldatu ditut. Raydafon-en engranaje planetarioa erabili nuen arte ez nintzen konturatu zer den kezkarik gabe egoteak! Lehen erabiltzen nuen ekipamendua beti gutxi zen siloa nahastean, eta engranajeak askotan irrist egiten ziren. Ez nuen espero zure engranaje planetarioa hain indartsua izango zenik. Zure produktua uste nuena baino askoz errazagoa da instalatzen eta mantentzea ere erraza da. Nik neuk eguneroko ikuskapena egin nuen azken aldian, engranaje-kutxa oso ondo itxita zegoela eta olio-ihesaren arrastorik ez zegoela ikusi nuen. Zalantzarik gabe, etorkizunean laguntzen jarraituko dizut eta nire abeltzain lagunei gomendatzen dizut! ---- Mark Johnson
Helbidea
Luotuo Industrial Area, Zhenhai Barrutia, Ningbo hiria, Txina
Tel
Posta elektronikoa


+86-574-87168065


Luotuo Industrial Area, Zhenhai Barrutia, Ningbo hiria, Txina
Copyright © Raydafon Technology Group Co., Limited Eskubide guztiak erreserbatuta.
Links | Sitemap | RSS | XML | Pribatutasun politika |
