QR kodea
Produktuak
Jarri gurekin harremanetan

Mugikorra

Faxa
+86-574-87168065

Posta elektronikoa

Helbidea
Luotuo Industrial Area, Zhenhai Barrutia, Ningbo hiria, Txina
Raydafon-en SWC-DH Short Flex Welding Mota Akoplamendu Unibertsala gaizki lerrokatuta dauden ardatzak konektatzeko egina dago, pisu handiko engranajeetan; pentsatu ijezketa errotak, polipastoak eta altzairua prozesatzeko makinak. Akoplamendu unibertsal labur trinkoa da, 45 mm-tik 390 mm-ra bitarteko bira-diametroa duena. Ardatzak 25 gradura arte desaktibatuta daudenean ere (desegokitze angeluarra), momentua eraginkortasunez mugitzen du, 1000 kN·m-ra gehienez, ekipo astunen potentzia-beharretara ondo egokitzen dena.
Erresistentzia handiko 35CrMo altzairuarekin egiten dugu eta lau orratz errodamendu gehitzen ditugu, karga astunetan eusteko. Hori dela eta, industria-makineriako akoplamendu unibertsaletarako aukera ona da, eta ekipamendu astunekin soldatutako akoplamendu unibertsal gisa funtzionatzen du kargak etenik gabe mantentzen diren lekuetan. Bere diseinu laburra ezin hobea da mugimendu axialetarako leku gutxi duten makinentzat ere; transmisio-konponketa gogorra ematen du industria-espazio gogorrei.
Raydafon Txinan oinarritutako fabrikatzailea da, ISO 9001 ziurtagiria duena, beraz, kalitate arau zorrotzak betetzen ditugu SWC-DH akoplamendu unibertsal bakoitzeko. Gurutze-ardatzak kromoaren plaka bat du korrosioari aurre egiteko, beraz, baldintza gogorrak direnean ere irauten du. Soldatutako uztarriari esker, instalazioa ere errazten da; ardatzak eskuinera lerrokatu besterik ez dago eta bere onenean funtzionatzen du. Metalurgia, meatzaritza eta garabi sistemetako engranajeetan aurkituko duzu, arazorik gabe.
Gainera, akoplamendu hau tamaina eta momentu desberdinetan dago. Makineria industrialetarako akoplamendu unibertsal pertsonalizatua behar baduzu, esate baterako, uzta-biltzaileetarako edo beste engranaje espezifiko batzuentzat, zure beharretara egokitu dezakegu eta prezioa lehiakorra izaten jarraitzen du. Fabrikazio-ezagutza dugu akoplamendu malgu labur hau ekipoen geldialdi-denbora murrizteko, zure makinak fidagarritasun handiagoz funtzionatzeko.
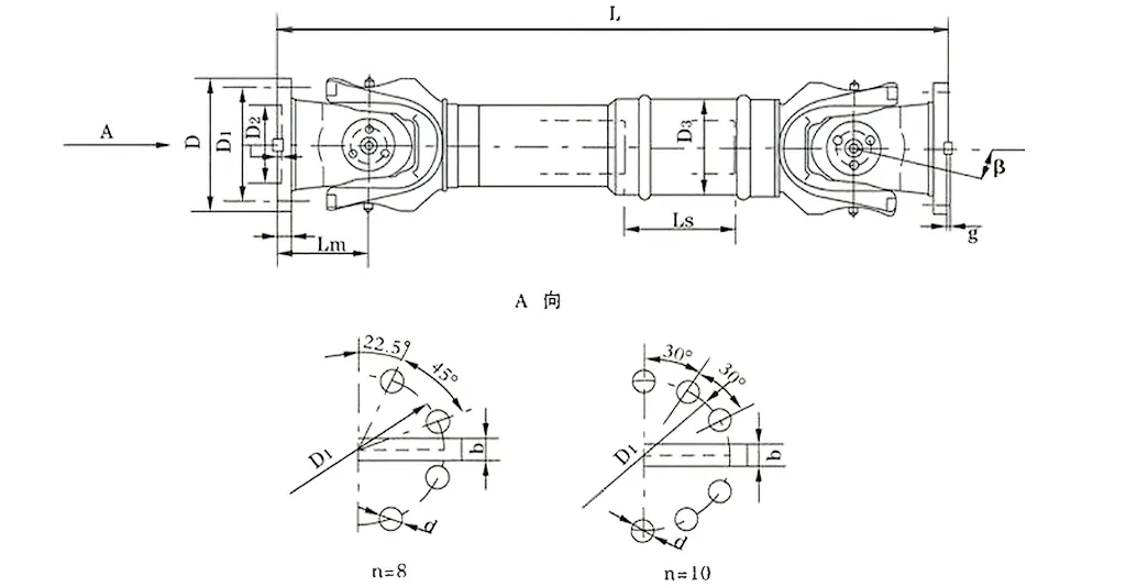
| Ez. | Girazio-diametroa D mm | Momentu nominala Tn KN·m | Ardatzak tolestura angelua β (°) | Momentu nekatua Tf KN·m | Flex kantitatea Ls mm | Tamaina (mm) | Inertzia birakaria kg.m2 | Pisua (kg) | |||||||||||
| Lmin | D1 (js11) | D2 (H7) | D3 | Lm | n-d | k | t | b (h9) | g | Lmin | Handitu 100 mm | Lmin | Handitu 100 mm | ||||||
| SWC180DH1 | 180 | 20 | 10 | ≤25 | 75 | 650 | 155 | 105 | 114 | 110 | 8-17 | 17 | 5 | - | - | 0.165 | 0.0070 | 58 | 2.8 |
| SWC180DH2 | 55 | 600 | 0.162 | 56 | |||||||||||||||
| SWC180DH3 | 40 | 550 | 0.160 | 52 | |||||||||||||||
| SWC225DH1 | 225 | 40 | 20 | ≤15 | 85 | 710 | 196 | 135 | 152 | 120 | 20 | 5 | 32 | 9.0 | 0.415 | 0.0234 | 95 | 4.9 | |
| SWC225DH2 | 70 | 640 | 0.397 | 92 | |||||||||||||||
| SWC250DH1 | 250 | 63 | 31.5 | ≤15 | 100 | 795 | 218 | 150 | 168 | 140 | 8-19 | 25 | 6 | 40 | 12.5 | 0.900 | 0.0277 | 148 | 5.3 |
| SWC250DH2 | 70 | 735 | 0.885 | 136 | |||||||||||||||
| SWC285DH1 | 285 | 90 | 45 | ≤15 | 120 | 950 | 245 | 170 | 194 | 160 | 8-21 | 27 | 7 | 40 | 15.0 | 1.876 | 0.0510 | 229 | 6.3 |
| SWC285DH2 | 80 | 880 | 1.801 | 221 | |||||||||||||||
| SWC315DH1 | 315 | 125 | 63 | ≤15 | 130 | 1070 | 280 | 185 | 219 | 180 | 10-23 | 32 | 8 | 40 | 15.0 | 3.331 | 0.0795 | 346 | 8.0 |
| SWC315DH2 | 90 | 980 | 3.163 | 334 | |||||||||||||||
| SWC350DH1 | 350 | 180 | 90 | ≤15 | 140 | 1170 | 310 | 210 | 267 | 194 | 10-23 | 35 | 8 | 50 | 16.0 | 6.215 | 0..2219 | 508 | 15.0 |
| SWC350DH2 | 90 | 1070 | 5.824 | 485 | |||||||||||||||
| SWC390DH1 | 390 | 250 | 125 | ≤15 | 150 | 1300 | 345 | 235 | 267 | 215 | 10-25 | 40 | 8 | 70 | 18.0 | 11.125 | 0.2219 | 655 | |
| SWC390DH2 | 90 | 1200 | 10.763 | 600 | |||||||||||||||
* 1. Tf-alternantziaren pean neke-erresistentziaren arabera ahalbidetzen duen momentua kargatzen du. * 2. Lmin-ebaki ondoren luzera gutxien duena. * 3. L-instalatzeko luzera, hau da, eskakizunaren arabera
SWC Universal Joint Coupling, sarritan SWC Cardan Shaft Universal Joint Coupling deitua, funtsezko osagaia da industria astuneko eszenatokietan. Ezinbestekoa da ijezketarako, igotzeko makineriarako eta eskala handiko makineria astunetarako hainbat sistematarako. Momentu handiko junta unibertsal akoplamendu gisa, bi transmisio-ardatz modu eraginkorrean konektatu ditzake kointzidentziarik gabeko ardatzekin, etenik gabeko potentzia-transmisioa bermatuz, nahiz eta lan baldintza konplexu eta gogorretan.
Akoplamendu honen oinarrizko parametro teknikoak hauek dira:
Girazio-diametroa: φ58 - φ620
Momentu nominala: 0,15 - 1000 kN·m
Ardatzaren tolestura angelua: ≤25°
Aplikazio praktikoetan, oso ondo funtzionatzen du. Esate baterako, ijezketa-eragiketetan, ijezketa-errotei eskainitako juntura unibertsal-akoplamendu fidagarri bat behar denean edo altxatzeko eta materialak manipulatzeko ekipoetan, SWC juntagailu unibertsal-ardatz-akoplamendu iraunkor bat behar denean, produktu hau guztiz konpetentea da. Karga astunetan ere, ekipamenduaren egonkortasun operatiboa egonkor mantendu dezake.
SWC junta unibertsala akoplamendua ingeniaritza-printzipio aurreratuen bidez diseinatuta dago, industria-inguruneetan aparteko errendimendua eta bizitza luzeagoa eskainiz. Bere egiturazko ezaugarri nagusiak hauek dira:
Egitura arrazoizkoa eta segurua: sardexka-buruaren diseinu integratua duelarik, juntagailu unibertsal industrial honek torlojuak askatzeko edo hausteko arriskua murrizten du, egituraren indarra % 30-50 handituz. Diseinu honek funtzionamendu segurua eta fidagarria bermatzen du, zerbitzu-bizitza luzatzen du modelo tradizionalekin alderatuta eta ohiko akatsak saihesten ditu presio handiko eszenatokietan, esate baterako, makineria astuneko junta unibertsalen akoplamendu sistemak.
Karga-jasateko gaitasun hobetua: SWC akoplamendu unibertsal erresistentea karga astunak jasateko bereziki diseinatuta dago, eta ezinbestekoa da karga kudeaketa bikaina eskatzen duten agertokietan, hala nola meatzaritza edo eraikuntzako makineria.
Transmisioaren eraginkortasun handia: % 98,6ko eraginkortasunarekin, potentzia handiko transmisiorako juntagailu unibertsal eraginkor honek energia-kontsumoa eta erlazionatutako kostuak nabarmen murrizten ditu, energia aurrezteko akoplamendu unibertsalen soluzioetarako lehen aukera bihurtuz potentzia handiko industria-transmisio-sistemetan.
Funtzionamendu egonkorra zarata baxuarekin: zarata baxuko juntagailu unibertsal honek modu egonkorrean funtzionatzen du normalean 30-40 dB(A) arteko zarata-mailekin, errendimendu isila bermatuz. Aproposa da zaratarekiko sentikorrak diren inguruneetarako, fidagarritasun handia mantenduz.
Artikulazio unibertsalen akoplamenduak, batez ere SWC kardan ardatzaren junta unibertsalaren akoplamendua, ezinbesteko transmisio-osagai bihurtu dira industria-aplikazioetan, abantaila nabarmenak direla eta. Oinarrizko beharrak ase ditzakete beren errendimenduarekin, hala nola, makineria astuna, doitasuneko fabrikazioa eta energia-transmisioa. Jarraian, haien abantaila nagusien azterketa zehatza da:
1. Torque transmisio sendoa eta lerrokatze okerreko konpentsazio bikaina
Momentu handiko junta unibertsal akoplamendu gisa, potentzia handiko kargak modu egonkorrean transmititu ditzake. Ijezketa-eragiketetan ardatzen lerrokadura desegokia maiz gertatzen den agertokietan ere (adibidez, arrabolen higadurak eta tenperatura-aldaketek eragindako desplazamendu axiala, altzairuzko ijezketan zehar), ijezketa-eragiketetarako lotura unibertsal astun eta fidagarri honek erraz maneia dezake. Aldi berean, angelu, axial eta erradialak diren lerrokatze okerrak konpentsatu ditzake, gehienez 25 graduko desbideratze angeluarrarekin. Lerrokatze okerreko moldagarritasun bikain honek ardatzaren desegokitzeak eragindako transmisio-blokeoak saihesten ditu, potentzia etengabe eta egonkorra ematen du, akats mekanikoen probabilitatea nabarmen murrizten du muturreko lan baldintzetan eta ekoizpen-lerroen etengabeko funtzionamendua bermatzen du.
2. Iraunkortasun handia eta zerbitzu-bizitza luzeagoa
SWC juntura unibertsalen akoplamenduen diseinua eta materialen aukeraketa "karga astunei aurre egitean eta ingurune gogorrak jasaten" dira. Gorputz nagusia erresistentzia handiko aleaziozko altzairuz egina dago, sardexka-buruaren egitura integratu batekin konbinatuta, eta horrek funtsean hutsegite puntu arruntak murrizten ditu, hala nola torlojuak askatzea eta osagaiak haustea. Altxatzeko eta materialak manipulatzeko ekipoetan erabiltzen den SWC junta unibertsalaren akoplamendu iraunkorra adibide gisa hartuta, objektu astunak altxatzerakoan berehalako inpaktu karga jasan dezake eta errendimendu egonkorra mantendu dezake ingurune gogorretan, hala nola hautsa eta tenperatura altuetan. Egitura zatitu tradizionaleko akoplamenduekin alderatuta, junta unibertsal industrialaren akoplamendu honek indar orokorra %30-%50 handitu du, eta horrek eguneroko mantentze-lanaren maiztasuna murrizten du, baina 2-3 urtez iraupena luzatzen du. Bereziki egokia da epe luzerako karga handiko funtzionamendu beharretarako makineria astuneko junta unibertsalen akoplamendu sistemen.
3. Transmisio-eraginkortasun handia eta energia aurrezteko efektu nabarmena
Testek frogatu dute SWC pisu handiko junta unibertsalaren akoplamenduaren transmisio-eraginkortasuna % 98,6koa dela, eta horrek abantaila nabariak ditu potentzia handiko transmisio industrialaren eszenatokietan, hala nola, labe garaien haizagailuak altzairu zentraletan eta ikatza garraiatzeko sistemak zentral elektrikoetan. Potentzia handiko transmisio etengabea behar duten ekipoetarako, potentzia handirako transmisiorako juntagailu unibertsal eraginkor honekin bat egiteak potentzia-galera minimiza dezake. Energia aurrezteko junta unibertsalen akoplamendu irtenbideak bilatzen dituzten enpresentzat, eraginkortasun handi hori kostuen abantailak bihur daiteke zuzenean: 1500 kW-ko motor industriala adibide gisa hartuta, urtean 12.000 yuan baino gehiago aurreztu ditzake elektrizitate-kostuetan, eta enpresei epe luzerako erabilera-kostu handiak murrizten lagun diezaieke enpresei, epe luzerako erabileran, energia-aurrezpenaren eta industria-kontsumoaren joera betez.
4. Funtzionamendu egonkorra eta isila, eszenatoki anitzetarako egokia
Errodamenduen doikuntzaren zehaztasuna optimizatuz eta marruskadura koefiziente baxuko koipe lubrifikatzailea erabiliz, zarata baxuko juntagailu unibertsal honen funtzionamendu-zarata zorrozki kontrolatzen da 30-40 dB(A)-tan, hau da, eguneroko bulego baten inguruneko zarata-mailaren baliokidea eta industria guneetako zarata-igorpen-arauak guztiz betetzen ditu. Zaratarekiko sentikorrak diren agertokietan, hala nola, elikagaiak prozesatzeko lantegietako produkzio-lerroak eta doitasuneko osagai elektronikoetarako garraiatzeko ekipoak, transmisio-sistemaren egonkortasuna eta fidagarritasuna bermatzeaz gain, tailer-ingurunean edo langileen funtzionamendu-esperientzian eragin dezake zarataren ondorioz. Aldi berean, transmisio-ezaugarri egonkorrek ekipamenduaren bibrazioak eragindako inguruko osagaien higadura ere murriztu dezakete, ekoizpen-sistema osoaren funtzionamendu-egonkortasuna eta zerbitzu-bizitza areagotuz.
SWC-DH Short Flex Welding Mota Akoplamendu Unibertsala, sarritan SWC kardan-ardatz-juntura unibertsalaren akoplamendua deritzona, makineria astuneko agertokietan erabiltzen da batez ere, hala nola ijezketa-errotak eta polipastoak. Ekipamendu mota honek egituraren trinkotasunerako eta malgutasunerako oso baldintza handiak ditu; bi puntu hauek betez soilik lor daiteke funtzionamendu eraginkorra, eta akoplamendu honek ezin hobeto asetzen ditu horrelako beharrak. Momentu handiko junta unibertsal akoplamendu gisa, bi transmisio-ardatz modu eraginkorrean konektatu ditzake kointzidentziarik ez duten ardatzekin, potentzia-transmisiorik gabeko transmisioa bermatuz, baita ardatz-sistemaren lerrokatze desegokiagatik konpentsazio zehatza behar duten industria-ingurune gogorretan ere.
Aplikazio praktikoetan, ijezketa-lanetarako giltzadura astuneko akoplamendu unibertsal fidagarria behar den ala ez ijezteko lanetan, edo altxatzeko eta materialak manipulatzeko ekipamenduetan SWC juntagailu unibertsalaren akoplamendu iraunkor bat behar den, produktu honek bikain funtziona dezake; Bere moldagarritasunaren abantaila bereziki nabarmena da ekipamendu trinkoen diseinuetan, non espazioa mugatua den eta egitura malguaren diseinu laburra behar den.
SWC-DH akoplamendu unibertsal industrial hau ingeniaritza teknologia aurreratuarekin eraikita dago eta errendimendurako eta zerbitzu-bizitzarako optimizatuta dago industria eszenatokietarako bereziki. Bere egitura-ezaugarri nagusia bere diseinu zentzuzko eta seguruan datza: sardexka-buruaren egitura integratuak funtsean torlojuak askatzeko edo hausteko arrisku ezkutuak ezabatzen ditu, indar orokorra % 30-50 handituz. Diseinu honek funtzionamenduaren segurtasuna eta fidagarritasuna bermatzeaz gain, zerbitzu-bizitza luzatzen du eredu tradizionalekin alderatuta, eta, aldi berean, tentsio handiko aplikazio agertokietan ohiko hutsegite-arazoak saihesten ditu, hala nola makineria astuneko junta unibertsalen akoplamendu sistemak.
Horrez gain, bere karga-ahalmena hobetu egiten da diseinuaren bidez pisu handiagoak jasateko, beraz, SWC akoplamendu unibertsal erresistente hau oso egokia da karga-ahalmenean baldintza zorrotzak dituzten eszenatokietarako, hala nola meatze-makineria eta eraikuntza-ekipoetarako. Transmisioaren eraginkortasunari dagokionez, %98,6ra iristen da. Potentzia handien transmisiorako akoplamendu unibertsal eraginkorra denez, energia-kontsumoa eta elektrizitate-kostuak nabarmen murrizten ditu, eta potentzia handiko industria-transmisioaren arloan energia aurrezteko akoplamendu unibertsalen soluzioetarako hobetsitako produktua da.
Azkenik, akoplamendu honek transmisio egonkorra du, funtzionamendu-zarata normalean 30-40 dB(A)-tan kontrolatuta, eta zarata gutxiko juntagailu unibertsala da. Ezaugarri honi esker, isil-isilik funtzionatzen du zaratarekiko sentikorrak diren industria agertokietan ere, uneoro fidagarritasun handia mantenduz.
⭐⭐⭐⭐⭐ Wang Lei, Proiektu ingeniaria, Guangdong Heavy Machinery Co., Ltd.
Raydafon-en SWC-DH Short Flex Welding Type Acoplamendu unibertsala erabiltzen ari gara gure makineria astunean, eta sorpresa atsegina izan da, batez ere leku estuetan egokitzeko orduan. Gure ekipamenduak leku nahiko mugatua du transmisio-piezetarako, baina akoplamendu honen diseinu trinkoa eskularru bat bezala egokitzen da, ez dago beste osagai batzuk berrantolatu behar funtziona dezan.
Are hobea da errendimendua ez duela sakrifikatzen tamainagatik. Momentu-transmisio sendoa eta egonkorra eskaintzen du oraindik, funtsezkoa gure lan astunetarako. Etengabe exekutatu dugu asteetan, eta zero bibrazio anormal izan da; sistema osoa leun geratzen da. Soldadura-kalitatea ere beste puntu garrantzitsu bat da: solidoa dela esan dezakezu begiratuz gero, eta horrek epe luzerako erabilera astunari eutsiko dion konfiantza osoa ematen digu. Espazioa aurrezteko diseinua eta fidagarritasuna orekatzen dituen akoplamendu baterako, hau da irabazlea.
⭐⭐⭐⭐⭐ Zhao Ming, Kontratazio zuzendaria, Tianjin Steel Equipment Co., Ltd.
Duela gutxi, Raydafon-i SWC-DH akoplamendu batzuk eskatu genizkion, eta esan beharra daukat kontratazio prozesu osoa oso erraza izan zela: ez buruhausterik, ez atzerapenik. Eskaera bidali genuen unetik, haien taldeak erantzun egin zuen, eta entrega aurreikusitako datan agertu zen, eta hori abantaila handia da gure ekoizpena bide onetik jarraitzeko. Paketatzea ere maila gorenekoa zen: akoplamendu bakoitza modu seguruan bilduta zegoen, bidalketa garaian hondatzerik edo kalterik gabe, deskargatu eta instalatzeko prest.
Gure talde teknikoak konfigurazioa kudeatu zuen, eta berehala aipatu zuten zein erraza zen muntatzea. Ez dago urrats konplikaturik, ez dago tresna berezirik bilatu beharrik; azkar instalatu zuten, eta ordutik fidagarri dabil. Errendimendu koherente honekin konbinatutako arrazoizko prezioa kontuan hartzen duzunean, argi dago akoplamendu honek balio handia duela. Dagoeneko gure ohiko erosketa zerrendan mantentzeko asmoa dugu; nire erosle lana errazten duen produktu mota da.
⭐⭐⭐⭐⭐ Liu Hong, Shandong Industrial Group-eko Mantentze-zuzendaria
Ekipoen mantentze-lanak gainbegiratzen dituen pertsona naizenez, nire lehentasun handiena geldialdi-denbora murriztea eta nire taldeak piezen zerbitzuan ematen duen denbora murriztea da. Raydafonen SWC-DH akoplamenduak ezin hobeto egiaztatzen ditu bi kutxa horiek. Egunero lan karga astunekin ibiltzen diren ekipoetan erabiltzen dugu, eta ez da inoiz irrist egiten edo mugitzen; irmo mantentzen da, konexio solterik gabe. Hilabeteak erabili ondoren ere, ia ez dago higadura arrastorik, hau da, aurretik erabili ditugun beste akoplamenduekiko kontraste handia da.
Akoplamendu zaharrago horiekin, konponketa azkarrak edo piezen ordezkapenak programatzen genituen beti, ekoizpen-denbora irabazten zutenak eta kostuak gehitzen zituztenak. Hau? Ozta-ozta ukitzen dugu: ez dugu maiz zerbitzurik egiten, ez ustekabeko matxurarik. Hainbeste denbora eta diru aurreztu digu mantentze lanetan, eta bere lana modu fidagarrian egiten jarraitzen du. Egun, gure eguneroko funtzionamenduetan oinarrizko osagaia bihurtu da; Ez dut kezkatu behar huts egiteaz, eta horrek beste lehentasun batzuetan zentratzen uzten dit. Mantentze-lan talde bakoitzak behar duen pieza fidagarria da.
Helbidea
Luotuo Industrial Area, Zhenhai Barrutia, Ningbo hiria, Txina
Tel
Posta elektronikoa


+86-574-87168065


Luotuo Industrial Area, Zhenhai Barrutia, Ningbo hiria, Txina
Copyright © Raydafon Technology Group Co., Limited Eskubide guztiak erreserbatuta.
Links | Sitemap | RSS | XML | Pribatutasun politika |
