QR kodea
Produktuak
Jarri gurekin harremanetan

Mugikorra

Faxa
+86-574-87168065

Posta elektronikoa

Helbidea
Luotuo Industrial Area, Zhenhai Barrutia, Ningbo hiria, Txina
Raydafon-en SWC-WF Flex Flange Mota Akoplamendu Unibertsala Momentu handiko transmisiorako egina dago makina astunetan; pentsa metalurgiako ekipamenduak, garabiak, meatze sistemak, potentzia egonkorra behar duten konfigurazio gogor guztiak. Brida-diseinu malgua du, 160 mm-tik 640 mm bitarteko biraketa-diametroak, eta brida motako akoplamendu unibertsal honek deformazio angeluar handiak kudeatzen ditu eta etengabeko biraketa-abiadurak ez du arazorik, baldintza oso zorrotzetan lan egiten denean ere. Erresistentzia handiko 35CrMo altzairua erabiltzen dugu eraikitzeko, beraz, karga biziei ezin hobeto jasaten die; hain zuzen, zergatik da makina astunentzako akoplamendu unibertsaletarako eta aplikazio industrialetarako akoplamendu unibertsal ez-flexiboetarako. Raydafon-en zehaztasun-fabrikazioak errendimendu sendoa ematen duela ziurtatzen du aldiro, batez ere momentu koherentearen entrega kolokan jarri ezin duten industrietan.
SWC-WF akoplamendu unibertsal hau irauteko eraikita dago, brida-konexio zurrun batekin, instalazioa errazten duena ontzigintzako motorrak eta ijezketa-errotak bezalako sistemetan -mugimendu axiala ez den lekuetan. ISO 9001 arauak zorrotz jarraitzen ditugu, eta Txinan oinarritutako gure fabrikak mekanizazio aurreratua eta kalitate egiaztapen zorrotzak erabiltzen ditu brida iraunkorra akoplamendu unibertsala izan dadin. Tamaina pertsonalizagarriak ditu, 1250 kN·m arteko pare-balioekin, beraz, metalurgia-ekipoetarako eta beste konfigurazio astunetarako akoplamendu unibertsal pertsonalizatuetan egokitzen da. Raydafon-ek neurrira egindako irtenbideak ere eskaintzen ditu prezio lehiakorretan, etenaldiak murrizten eta zure ekipoen fidagarritasuna areagotzen laguntzen du.
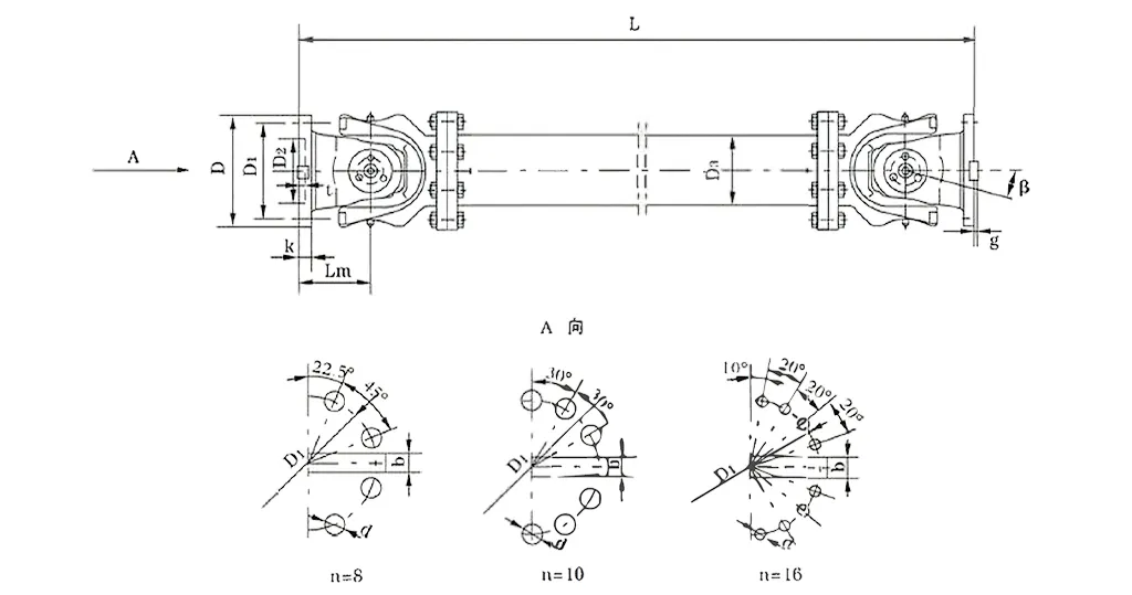
| Ez. | Girazio-diametroa D mm | Momentu nominala Tn KN·m | Ardatzak tolestura angelua β (°) | Torque nekatua Tf KN·m | Tamaina (mm) | Inertzia birakaria kg.m2 | Pisua (kg) | |||||||||||
| Lmin | D1 (js11) | D2 (H7) | D3 | Lm | n-d | k | t | b (h9) | g | Lmin | Handitu 100 mm | Lmin | Handitu 100 mm | |||||
| SWC285WF | 285 | 90 | 45 | ≤15 | 810 | 245 | 170 | 194 | 160 | 8-21 | 27 | 7 | 40 | 15 | 2.664 | 0.051 | 220 | 6.3 |
| SWC315WF | 315 | 125 | 63 | 915 | 280 | 185 | 219 | 180 | 10-23 | 32 | 8 | 40 | 15 | 4.469 | 0.0795 | 300 | 8.0 | |
| SWC350WF | 350 | 180 | 90 | 980 | 310 | 210 | 267 | 194 | 10-23 | 35 | 8 | 50 | 16 | 7.388 | 0.2219 | 412 | 15.0 | |
| SWC390WF | 390 | 250 | 125 | 1100 | 345 | 235 | 267 | 215 | 10-25 | 40 | 8 | 70 | 18 | 13.184 | 0.2219 | 588 | 15.0 | |
| SWC440WF | 440 | 355 | 180 | 1290 | 390 | 255 | 325 | 260 | 16-28 | 42 | 10 | 80 | 20 | 23.250 | 0.4744 | 880 | 21.7 | |
| SWC490WF | 490 | 500 | 250 | 1360 | 435 | 275 | 325 | 270 | 16-31 | 47 | 12 | 90 | 22.5 | 40.750 | 0.4744 | 1173 | 21.7 | |
| SWC550WF | 550 | 710 | 355 | 1510 | 492 | 320 | 426 | 305 | 16-31 | 50 | 12 | 100 | 22.5 | 68.480 | 1.3570 | 1663 | 34.0 | |
| SWC620WF | 620 | 1000 | 500 | 1690 | 555 | 380 | 426 | 340 | 10-38 | 55 | 12 | 100 | 25 | 127.530 | 1.3570 | 2332 | 34.0 | |
* 1. Tf-alternantziaren pean neke-erresistentziaren arabera ahalbidetzen duen momentua kargatzen du.
* 2. L-instalatzeko luzera, hau da, eskakizunaren arabera.
Raydafon-en SWC-WF flex flange motako junta unibertsalaren akoplamenduak (SWC kardan ardatzaren junta unibertsalaren akoplamendua ere deitzen zaio) oinarrizko ideia mekaniko batean funtzionatzen du: bi ardatz ez-kolinealetatik joan behar den lekura lortzen du momentua, eta lerrokadura desegokia ere kudeatzen du. Momentu handiko junta unibertsal akoplamendu honek gurutze-errodamenduen konfigurazioa erabiltzen du bi muturretako bridak lotzeko, beraz, ardatzak 25 gradu arte desplazatuta egon arren edo desbideraketa axial/erradiala izan arren, biraketa-potentzia leunki mugitzen du.
Funtzionamenduaren muina juntura unibertsalaren diseinua da: pibote baten moduan jokatzen duen ardatz gurutzatua dago, brida bakoitza bere kabuz mugitzen uzten duena. Horrela, momentua ardatz eragiletik bultzatutako ardatzera modu eraginkorrean igarotzen da, eta lerrokatze angeluarrak konpontzen ditu konektatzen den piezetan esfortzu handiegirik jarri gabe. Ijezketa-eragiketetarako juntura astuneko akoplamendu unibertsal fidagarri bat behar baduzu, honen brida-egitura zurrun eta ez-malguak gauzak egonkor mantentzen ditu, eta hori ezin hobea da distantzia laburreko konexioetarako makina astun trinkoen konfigurazioetan.
Bere funtzioa nabarmentzen duena zera da: ez duela pieza malgurik edo hedapen-ezaugarririk; horrek beste mota batzuetatik bereizten du eta oso egokia da mugimendu axiala gutxienekoa den lekuetarako. Jasotze- eta materialak manipulatzeko ekipoetan erabiltzen dugun SWC junta unibertsal-ardatz-akoplamendu iraunkorra printzipio honetan oinarritzen da karga handietan ere orekatuta egoteko; % 98,6ra arteko transmisio-eraginkortasunak lortzen ditu eta ez du energia asko xahutzen. Artikulazio unibertsal industrialaren akoplamendu honek bibrazioak murrizten ditu errodamenduen mugimendu zehatzari esker, beraz, leunki funtzionatzen du tentsio handiko egoeretan ere, industria-lan gogorretan ikusiko zenituen makineria astuneko junta unibertsalen akoplamendu sistemak bezala.
Gainera, Raydafon-en SWC akoplamendu unibertsal erresistenteak brida soldatuak ditu sendoagoa izan dadin; ez da gehiago kezkatu torlojuak askatzeaz, eta indar orokorra % 30-% 50 areagotzen du. Potentzia handien transmisiorako juntagailu unibertsal eraginkorra den aldetik, 0,15 eta 1000 kN·m arteko momentu nominalak maneiatzen ditu eta φ58 eta φ620 arteko biraka-diametroak ditu, industria-transmisio zorrotzetan energia aurrezteko junta unibertsalen akoplamendu soluzioetarako. Eta zarata 30-40 dB(A) artean mantentzen delarik, zarata baxuko junta unibertsal akoplamendu honek isilean funtzionatzen du, hau da, zarata kezkagarria den leku industrialetarako aproposa, fidagarritasun estandar altuak mantenduz.
Raydafon-en SWC junta unibertsalaren akoplamendua —askotan SWC kardan ardatzaren junta unibertsalaren akoplamendua deitzen zaio— ez da ohiko pieza bat soilik; ezinbestekoa da industria-konfigurazio astunetarako, hala nola ijezketa-errotak, igotzeko makineria eta mota guztietako makina astun-sistema gogoretarako. Momentu handiko junta unibertsalaren akoplamendu gisa, lan sendoa egiten du ezin hobeto lerrokatzen ez diren bi transmisio-ardatz lotuz, lan-baldintzak gogorrak direnean ere potentzia isurtzen jarraitzen duela ziurtatuz.
Hitz egin dezagun bere zehaztapen nagusiei buruz: biraketa-diametroa φ58-tik φ620 bitartekoa da, momentu nominala 0,15-tik 1000 kN·m-ra doa eta ardatzaren tolestura-angelua ez da 25° baino gehiagokoa.
Produktu honek agertoki zehatzetan distira egiten du, hala nola, ijezketa-eragiketetarako juntura unibertsal handiko akoplamendu fidagarri bat behar duzunean edo SWC artikulazio unibertsalaren ardatzeko akoplamendu iraunkor bat jasotzeko eta materialak manipulatzeko ekipoetan. Kasu hauetan, bere balioa frogatzen du eragiketak egonkor mantenduz, nahiz eta karga astunei aurre egin.
Raydafon-en SWC akoplamendu unibertsala ez da funtziorako soilik eraikia, diseinu adimendunarekin diseinatuta dago erabilera industrialari eusteko eta epe luzera ondo funtzionatzen jarraitzeko. Apurtu dezagun bere egitura nabarmentzen duena.
Lehenik eta behin, konfigurazio zentzuzkoa eta segurua du: sardexka-buruaren diseinu integratua erabili dugu juntagailu unibertsal industrial honetarako, eta horrek torlojuak askatzea edo haustea bezalako arriskuak murrizten ditu. Horrek bakarrik bere egitura-osotasuna %30-%50 areagotzen du, beraz, seguru eta fidagarritasunez funtzionatzen du. Akoplamendu arruntekin alderatuta, gehiago irauten du eta tentsio handiko lekuetan ohikoak diren matxurak saihesten ditu, lan gogorretan ikusten dituzun makineria astuneko junta unibertsalen akoplamendu sistemak bezala.
Gero, karga-gaitasun hobetua dago: SWC akoplamendu unibertsal erresistente hau pisu handiak maneiatzeko egina dago, beraz, ezinbestekoa da karga maila goreneko kudeaketa behar duten lekuetan, hala nola meatzaritza edo eraikuntzako makineria.
Transmisio-eraginkortasun handia ere ematen du, % 98,6ra arte. Potentzia handien transmisiorako juntagailu unibertsal eraginkorra den aldetik, energiaren erabilera eta horrek dakarren kostuak murrizten ditu. Horregatik, potentzia handiko industria-transmisio-konfigurazioetan energia aurrezteko akoplamendu unibertsalen soluzioetarako aukerarik onena da.
Eta leun ibiltzen da zarata txikiarekin: transmisioa etengabe mantentzen du, eta zarata normalean 30-40 dB(A) artean egon ohi da. Zarata gutxiko junta unibertsalaren akoplamendu honek funtzionamenduak isiltasunean mantentzea ziurtatzen du, hau da, zarata arazoa den lekuetarako, fidagarritasuna maila altuan mantenduz.
⭐⭐⭐⭐⭐ Chen Liang, Produkzio ingeniaria, Zhejiang Machinery Co., Ltd.
Raydafon-en SWC-WF Without Flex Flange Mota Akoplamendu Unibertsala jarri dugu gure produkzio-lerroetako batean, eta bikain aritu da orain arte. Egitura sinplea baina gogorra da: instalatzea brisa izan zen, urrats konplikaturik ez. Behin konfiguratuta, arin funtzionatzen du, ez dago doikuntza gehigarririk behar. Zama astuna denean ere, akoplamendu hau fidagarria izaten jarraitzen du, eta horrek esan nahi du makinak ordu luzez funtzionatzen mantendu ahal izango ditugula gehiegi kezkatu gabe; zalantzarik gabe, lasaitasun handiagoa ematen digu.
⭐⭐⭐⭐⭐ Sun Mei, Erosketa Arduraduna, Hebei Steel Co., Ltd.
Gure enpresak SWC-WF Flex Flange Mota Akoplamendu Unibertsal gabe erosi zituen Raydafon-i, eta lehenik eta behin, entrega garaiz egin zen, eta ontziratzea ere kontu handiz ibili zen, inolako kalterik gabe. Niri benetan nabarmentzen zait tailerreko taldeak esandakoa: akoplamenduak erraz instalatzen zirela esan zidaten, eta erabiltzean, oso sendo sentitzen direla. Gainera, beste hornitzaile batzuekin alderatuta, hemengo prezioa bidezkoa da. Oro har, oso pozik gaude erosketa honekin.
⭐⭐⭐⭐⭐ Guo Jun, Mantentze-zuzendaria, Liaoning Heavy Industry Group
Nire lana gure makinak martxan mantentzea da, eta ahal dudan neurrian geldialdi denbora murrizten saiatzen naiz. Raydafon-en SWC-WF Flex Flange Mota Akoplamendu Unibertsal gabe erabiltzen hasi ginenetik, alde handia nabaritu dut: piezaren higadura gutxiago eta funtzionamenduan zehar arazo gutxiago. Diseinua gogorra da, eta ez du mantentze-lan handirik behar. Horrek denbora eta dirua aurrezten digu, eta gure ekipamendurako pieza oso fidagarria izan da.
Raydafon EVER-POWER Group Co., Ltd.ren funtsezko filiala da. Ez gara hornitzaile bat bakarrik, kalitate goreneko transmisio-osagaien eta soluzio industrialen hornitzaile gomendagarria baizik, eta arreta handia jartzen dugu produktu berritzaileetan, hala nola SWC kardan-ardatz-juntura unibertsalaren akoplamendua. Hasi ginenetik, teknologiak aurrera egin eta merkatu globaletan hazten aritu gara; ez ginen osagai bakarrak saltzen gelditu; orain nekazaritzako eta industria astuneko beharretara ezin hobeto egokitzen diren sistema osoko soluzioak lantzen ditugu. Ardatz eragileetan eta transmisio-produktuetan dugun ezagutzak esan nahi du ijezketa-eragiketetarako (eta beste lan gogor batzuetarako) juntagailu unibertsal fidagarriak behar dituzten bezeroek gurekin izan dezaketela bazkide sendo gisa.
Raydafonen produktu sorta zabala egiten dugu: engranaje-kaxak, ardatzak, zilindro hidraulikoak, poleak eta baita makina-erreminta aurreratuak ere, CNC tornuak eta fresatzeko makinak. Gure pare handiko juntagailu unibertsalen akoplamendu irtenbideak (hartu SWC seriea, adibidez) jasotzeko eta materialak manipulatzeko ekipoetan SWC junta unibertsalaren ardatz akoplamendu iraunkorrak behar dituzten industrien eskakizun zorrotzei aurre egiteko eraiki dira. Instalazio aurreratuak ere baditugu: CNC tailerrak, artezteko eta tratamendu termikorako makinak, 3D neurtzeko tresnak, guztiak ISO9001/TS16949 estandarrei atxikitzeko, egiten ditugun juntagailu unibertsal industrial guztiak kalitate goreneko eta zehatzak dira.
Gure produktuen % 80 atzerrian saltzen dugu, AEB, Alemania, Japonia, Italia, Malaysia, Australia eta Ekialde Hurbila bezalako merkatuetara. Eta sare sendoa dugu Txina, Hego Korea, Erresuma Batua, Singapur, AEB eta Espainia bezalako tokietan hori babesteko. Ibilbide global honek soluzio pertsonalizatuak sortzeko aukera ematen digu, SWC pisu handiko junta unibertsalaren akoplamendua adibidez, karga handiak maneiatu eta denbora luzez iraun behar duten makineria astuneko junta unibertsalen akoplamendu sistemetarako diseinatua.
Berrikuntza eta bezeroak pozik jartzea dira gure lehentasunak. Energia aurrezteko juntura unibertsalen akoplamendu soluzioak eskaintzen ditugu, transmisioaren % 98,6ko eraginkortasuna lortzen dutenak, potentzia handiko konfigurazioetarako kostu operatiboak murriztuz. Potentzia handien transmisiorako juntagailu unibertsal eraginkorra edo zarata garrantzitsua den lekuetarako zarata baxuko juntagailu unibertsal bat behar duzun ala ez, gure produktuak salmenta osteko zerbitzu profesionalarekin datoz, eta gauzak ondo egiten ari gara. Horregatik, Raydafon zure transmisio-behar guztietarako aukerarik onena da.
Helbidea
Luotuo Industrial Area, Zhenhai Barrutia, Ningbo hiria, Txina
Tel
Posta elektronikoa


+86-574-87168065


Luotuo Industrial Area, Zhenhai Barrutia, Ningbo hiria, Txina
Copyright © Raydafon Technology Group Co., Limited Eskubide guztiak erreserbatuta.
Links | Sitemap | RSS | XML | Pribatutasun politika |
