QR kodea
Produktuak
Jarri gurekin harremanetan

Mugikorra

Faxa
+86-574-87168065

Posta elektronikoa

Helbidea
Luotuo Industrial Area, Zhenhai Barrutia, Ningbo hiria, Txina
Raydafon-en SWC-WD Brida Mota Flexiblerik Gabeko Akoplamendu Unibertsala Momentua eraginkortasunez mugitzeko eraikita dago makineria astunetan: pentsa altzairuzko ijezketa-errotak, garabiak, altxatze-ekipoak, engranaje astun hori guztia. Brida-diseinu trinkoa eta ez-teleskopikoa du, 180 mm-tik 1320 mm-ra arteko biraketa-diametroak dituena. Brida motzeko akoplamendu unibertsal honek 15 gradu arteko deslerro angeluarrak eta 16.000 kN·m-ko pareak jasan ditzake; beraz, leku handirik ez dagoen leku estuetan ere, potentzia fidagarritasunez transmititzen du. Erresistentzia handiko 35CrMo altzairuz egiten dugu, torlojurik behar ez duen euskarri-egitura batekin, makina astunentzako akoplamendu unibertsaletarako eta aplikazio industrialetarako akoplamendu unibertsal ez-teleskopikoetarako. Ez du mantentze-lan handirik behar eta betiko irauten du, hau da, konfigurazio gogorretan behar duzuna.
Txinan gure fabrikazioak ISO 9001 arauak jarraitzen ditu, beraz, SWC-WD akoplamendu unibertsalak baldintza gogorretan eusten du. Gurutze-ardatza kromatua da korrosioari aurre egiteko, bere gogortasuna gehitzeko. Bere brida soldatuaren diseinu zurrunak errazten du instalazioa, batez ere metalurgia eta meatze-ekipoetan, non ardatz mugimendua nahiko gutxienekoa den. Tamaina pertsonaliza dezakegu zure beharretara egokitzeko, beraz, akoplamendu unibertsal labur iraunkor honek bikain funtzionatzen du garabi-sistemetarako eta beste lan astunetarako akoplamendu unibertsal pertsonalizatu gisa. Eta prezioa ere lehiakorra da. Raydafonen eskulan zehatzak geldialdi-denbora gutxiago eta ekipamendu fidagarriagoak dakartza, mundu osoko operadore industrialak fida dezaketen zerbait.
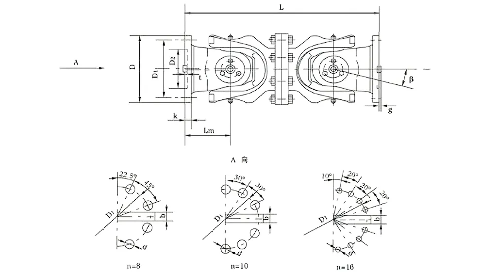
| Ez. | Girazio-diametroa D mm | Momentu nominala Tn KN·m | Ardatzak tolestura angelua β (°) | Torque nekatua Tf KN·m | Tamaina (mm) | Pisua (kg) | |||||||||
| Lmin | D1 (js11) | D2 (H7) | Lm | n-d | k | t | b (h9) | g | Lmin | Handitu 100 mm | |||||
| SWC180WD | 180 | 12.5 | 6.3 | ≤25 | 440 | 155 | 105 | 110 | 8-17 | 17 | 5 | - | - | 0.145 | 52 |
| SWC225WD | 225 | 40 | 20 | ≤15 | 480 | 196 | 135 | 120 | 8-17 | 20 | 5 | 32 | 9.0 | 0.355 | 82 |
| SWC250WD | 250 | 63 | 31.5 | 560 | 218 | 150 | 140 | 8-19 | 25 | 6 | 40 | 12.5 | 0.831 | 127 | |
| Swc285wd | 285 | 90 | 45 | 640 | 245 | 170 | 160 | 8-21 | 27 | 7 | 40 | 15.0 | 1.715 | 189 | |
| SWC315WD | 315 | 125 | 63 | 720 | 280 | 185 | 180 | 10-23 | 32 | 8 | 40 | 15.0 | 2.820 | 270 | |
| SWC350WD | 350 | 180 | 90 | 776 | 310 | 210 | 194 | 10-23 | 35 | 8 | 50 | 16.0 | 4.791 | 370 | |
| SWC390WD | 390 | 250 | 125 | 860 | 345 | 235 | 215 | 10-25 | 40 | 8 | 70 | 18.0 | 8.229 | 524 | |
| Swc440wd | 440 | 355 | 180 | 1040 | 390 | 255 | 260 | 16-28 | 42 | 10 | 80 | 20.0 | 15.320 | 798 | |
| SWC490WD | 490 | 500 | 250 | 1080 | 435 | 275 | 270 | 16-31 | 47 | 12 | 90 | 22.5 | 25.740 | 1055 | |
| SWC550WD | 550 | 710 | 355 | 1220 | 492 | 320 | 305 | 16-31 | 50 | 12 | 100 | 22.5 | 46.780 | 1524 | |
| SWC620WD | 620 | 1000 | 500 | 1360 | 555 | 380 | 340 | 10-38 | 55 | 12 | 100 | 25.0 | 83.760 | 2120 | |
* 1. Tf-alternantziaren pean neke-erresistentziaren arabera ahalbidetzen duen momentua kargatzen du.
Raydafon-en SWC junta unibertsalaren akoplamendua —normalean SWC kardan ardatzaren junta unibertsalaren akoplamendua deitzen zaio— ez da zati bat soilik; ezinbestekoa da industria astuneko eremuetan, hala nola ijezketa-errotak, igogailuak eta era guztietako makineria astunak konfigurazio gogorrenetan. Momentu handiko junta unibertsal akoplamendu gisa, lan sendoa egiten du ezin hobeto lerrokatuta ez dauden bi transmisio-ardatz lotuz, potentzia leunki ematen dela ziurtatuz, nahiz eta lan-baldintzak oso gogorrak diren.
Hitz egin dezagun bere oinarrizko zehaztapenei buruz: biraketa-diametroa φ58-tik φ620 bitartekoa da, momentu nominala 0,15-tik 1000 kN·m-ra doa eta ardatzaren tolestura-angelua 25° baino gehiagokoa ez da.
Akoplamendu honek leku zehatz batzuetan funtzionatzen du hobekien, adibidez, ijezketa-eragiketetarako juntura unibertsal astun eta fidagarri bat behar duzunean, edo SWC artikulazio unibertsal-ardatz-akoplamendu iraunkor bat jasotzeko eta materialak manipulatzeko ekipoetan. Kasu hauetan, bere indarra erakusten du: tentsio handietan ere, funtzionamenduak egonkor mantentzen ditu, nahasmendurik edo matxurarik gabe.
Raydafon-en SWC juntagailu unibertsalaren akoplamendua ez da batuta bakarrik, ingeniaritza adimendun eta eguneratuarekin eraikita dago, industria-erabileran bikain funtzionatzeko eta luzaroan iraun dezan. Ibil gaitezen bere egitura nabarmentzen duena.
Lehenik eta behin, konfigurazio zentzuzkoa eta segurua du: sardexka-buruaren diseinu integratua erabili dugu juntagailu unibertsal industrial honetarako, eta horrek torlojuak askatzea edo haustea bezalako arriskuak murrizten ditu. Doiketa horrek bakarrik %30-%50 sendoagoa egiten du orokorrean, beraz, segurtasunez eta koherentziaz funtzionatzen du. Akoplamendu arruntekin alderatuta, askoz gehiago irauten du, eta tentsio handiko lekuetan ohikoak diren arazoak saihesten ditu, lan gogorretan ikusten dituzun makineria astuneko junta unibertsalen akoplamendu sistemak, esaterako.
Gero, karga-gaitasun hobetua dago: SWC akoplamendu unibertsal erresistente hau pisu handiak maneiatzeko egina dago, beraz, ezinbestekoa da karga maila goreneko manipulazioa behar duten lekuetan, meatze-tresnak edo eraikuntza-makinak adibidez.
Transmisioaren eraginkortasun handia ere lortzen du —% 98,6ra arte. Potentzia handiko transmisiorako juntura unibertsal akoplamendu eraginkorra denez, energia-erabilera eta horrek dakartzan kostuak murrizten ditu. Horregatik, potentzia handiko industria-transmisio-konfigurazioetan energia aurrezteko juntagailu unibertsalen akoplamendu irtenbideetarako aukerarik onena da.
Eta leun doa zarata baxuarekin: transmisioa egonkor mantentzen da, eta zarata normalean 30-40 dB(A) artean egon ohi da. Zarata baxuko junta unibertsal akoplamendu honek funtzionamendua isilean mantentzen du, hau da, zarata arazoa den leku industrialetarako, fidagarritasuna maila altuan mantenduz.
⭐⭐⭐⭐⭐ Zhang Wei, Henan Mining Equipment Co., Ltd. ingeniari nagusia.
Raydafon-en SWC-WD Short Without Flex Flange Mota Akoplamendu Unibertsala jarri dugu gure meatze-makinetan, eta ezin hobea izan da. Bere diseinu trinkoa behar duguna besterik ez da soberan leku handirik ez dagoen leku estuetarako, eta eraikuntza nahikoa gogorra da eragiketak egonkor mantentzeko. Nahiz eta baldintza astunetan gelditu gabe dabilen, akoplamendu honek ez gaitu inoiz hutsik egiten, batere hutsegiterik. Gure mantenimendu-taldeak oso gustuko du ia egiaztatu behar duela, eta horrek esan nahi du ekoizpena arazorik gabe mugitzen jarrai dezakegula.
⭐⭐⭐⭐⭐ Michael Brown, Operazio-zuzendaria, Texas Steel Works, AEB
Texasko gure tailerrak Raydafon-i SWC-WD Flange Mota Mota Akoplamendu Unibertsal Laburra eskatu zion, eta egia esan, kalitateak harrituta utzi gaitu. Akoplamenduak oso ondo lantzen dira, instalatzea oso erraza da, eta fidagarri eusten dira kargapean daudenean ere. Zer iruditu zait gehien? Zeinen ondo orekatzen dituen prezioa eta errendimendua; ez duzu sarritan leku gozo hori aurkitzen. Kalitate-maila hori etengabe ematen duen hornitzaile bat aurkitzea ez da erraza, baina Raydafon-ek erabat frogatu du guretzat fidagarria den bazkide bat dela.
⭐⭐⭐⭐⭐ Anna Müller, Mantentze-lan arduraduna, Berlin Industrial Solutions, Alemania
Raydafon-en SWC-WD Short Without Flex Flange Mota Akoplamendu Unibertsala jarri dugu Berlingo ekipamendu-lerroan, eta emaitzak bikainak izan dira. Produktua bera harri-solidoa da, soldadura zehatza da (hemen ez dago lan okerrik) eta, orain arte, oso ondo eutsi zaio, maila goreneko iraunkortasuna erakutsiz. Europan hemen erabili ditugun beste marka batzuekin alderatuta, akoplamendu hau fidagarriagoa da eta prezioa ere lehiakorragoa da. Beste konpainia batzuek akoplamendu unibertsal fidagarrien bila badabiltza, erabat gomendatuko nuke Raydafon.
Raydafon-en SWC-WD Brida Mota Flexible Mota Akoplamendu Unibertsal Laburra —askotan SWC kardan ardatzaren junta unibertsalaren akoplamendu deitzen zaio— leku industrial estuetarako eraikita dago, non espazioa mugatua den eta luzera finkoko diseinua behar duzun (luzapen teleskopikorik gabe). Momentu handiko junta unibertsal akoplamendu gisa, parea eraginkortasunez mugitzen du lerrokatuta ez dauden ardatzen artean, 25 graduko desbideratze angeluarrak maneiatzen ditu eta fidagarria izaten jarraitzen du lan handiko inguruneetan ere.
Hitz egin ditzagun bere ezaugarri nagusiei buruz: Egitura trinko eta zurruna du: brida konfigurazio labur eta ez-malgu honek juntura unibertsal akoplamendu fidagarria bihurtzen du ijezketa-eragiketetarako, eta egonkortasun gehigarria ematen du ardatz mugimendua gutxienekoa den konfigurazioetan. Hori dela eta, oso ondo funtzionatzen du distantzia finkoko konexioetarako makina gogorrak. Gainera, karga-gaitasun handia dago: material gogorrak erabiltzen ditugu burdinurtua edo aleazio altzairua bezalako materialak egiteko, beraz, SWC juntagailu unibertsalaren ardatz-akoplamendu iraunkorra da jasotzeko eta materialak manipulatzeko ekipoetan. Pisu handiei eusten die eta diametro bereko beste akoplamendu batzuek baino pare gehiago transmititzen du, eta horregatik ezin hobea da meatze- edo eraikuntza-tresnetan karga astunetarako.
Artikulazio unibertsal industrialaren akoplamendu honek oso ondo konpentsatzen du lerrokadura desegokia; lerrokadura angeluarra, paraleloa edo axiala izan, ez du nahasten biraketa-abiadura edo momentu-transferentziarekin. Horrek esan nahi du makineria astuneko juntura unibertsalen akoplamendu sistemetan funtzionamendu ona. Eta potentzia transmisioan eraginkorra da: % 98,6ko eraginkortasuna lortzen du, SWC akoplamendu unibertsal erresistente honek energia-galera baxua mantentzen du, eta potentzia handiko konfigurazio industrialetan potentzia handiko transmisiorako juntagailu unibertsal eraginkorra da.
Gainera, energia aurrezteko eta isilean ibiltzeko diseinatuta dago; energia aurrezteko junta unibertsalak akoplatzeko irtenbideak behar badituzu, hau da aukerarik onena, kostu operatiboak murrizten dituena. Eta zarata 30-40 dB(A) artean mantentzen du, beraz, zarata gutxiko juntagailu unibertsal hau zarata kezkagarria den leku industrialetan egokitzen da.
Akoplamendu honek agertoki zehatzetan distira egiten du, esaterako, ijezketa-lanetarako akoplamendu unibertsal fidagarri bat behar duzunean edo SWC artikulazio unibertsalaren ardatz akoplamendu iraunkor bat jasotzeko eta materialak manipulatzeko ekipoetan. Kasu hauetan, nahiz eta muturreko kargak eta espazio mugatua izan, eragiketak egonkor mantentzen ditu, hikadurarik gabe.
Akoplamendu unibertsal industrialaren aplikazioei dagokienez, gure SWC-WD aldaerak hobeto funtzionatzen eta gehiago irauten duen ingeniaritza adimendunarekin nabarmentzen da. Hitz egin dezagun bere funtsezko egiturari buruz: konfigurazio zentzuzko eta segurua du sardexka-buruaren diseinu integratua duena; honek torlojuak askatzea edo haustea bezalako arazoak kentzen ditu, eta indar orokorra % 30-50 areagotzen du. Horrek esan nahi du segurtasunez eta fidagarritasunez funtzionatzen duela, antzinako modeloek baino gehiago irauten dutela eta tentsio handiko lekuetan ohiko matxurak saihesten dituela, makineria astuneko junta unibertsalen akoplamendu sistemak esaterako.
Gainera, askoz karga gehiago maneiatu dezake; pisu handiagoak eusteko eraiki dugu, beraz, SWC akoplamendu unibertsal erresistente hau ezin hobea da karga gogorrak manipulatu behar dituzten lekuetarako, hala nola meatzaritza edo eraikuntzako ekipoak. Gainera, potentzia modu eraginkorrean mugitzen du, transmisio-eraginkortasuna % 98,6raino iritsiz. Potentzia handien transmisiorako junta unibertsal akoplamendu eraginkorra denez, energia-erabilera eta horrek dakartzan kostuak murrizten ditu, eta energia aurrezteko junta unibertsalen akoplamendu irtenbideetarako aukera nagusia da potentzia handiko transmisio industrialeko konfigurazioetan.
Eta leun ibiltzen da apenas zaratarik gabe: transmisioa finkoa izaten da, eta zarata normalean 30-40 dB(A) artean egon ohi da. Zarata gutxiko junta unibertsal-akoplamendu honek funtzionamendu isilean mantentzen du, eta hori ezin hobea da zarata arazoa den leku industrialetarako, fidagarritasuna maila altuan mantenduz.
Raydafon ez da transmisio-piezen beste izen bat: errendimendu handiko transmisio-osagaien eta industria-makineria-soluzioen fabrikatzaile eta hornitzaile liderra gara, eta arreta handia dugu SWC kardan-ardatz-juntura unibertsalaren akoplamendua bezalako produktuetan. Mundu mailako industriek eboluzionatzen duten heinean behar dutenarekin jarraitzeko hasi ginen, eta denborarekin, sorta osoa osatu dugu: engranaje-kaxak, ardatz eragileak, zilindro hidraulikoak, poleak, doitasun-makina-erreminta, guztiak nekazaritza eta pisu astuneko sektoreek nola funtzionatzen duten sustatzeko egina. Berrikuntzan handiak gara, horregatik, giltzadura unibertsal handiko akoplamendu fidagarriak eskain ditzakegu ijezketa-eragiketetarako, sistema konplexuenetan ere oztoporik gabe egokitzen direnak.
Gure instalazioak ere goi mailakoak dira: CNC tailerrak, artezteko eta tratamendu termikorako tresneria eta 3D neurketa sistema aurreratuak ditugu. ISO9001/TS16949 bezalako kalitate estandar zorrotzei eusten diegu, eta konfigurazio horri esker, pare handiko juntagailu unibertsalen akoplamendu irtenbideak egiten ditugu, momentua handia mugitzen dutenak eta desegokitzea profesional batek bezala kudeatzen dutenak. Hartu gure SWC artikulazio unibertsalaren ardatzaren akoplamendu iraunkorra jasotzeko eta materialak manipulatzeko ekipoetan, adibidez: karga-potentzia gogorra behar duten lekuetarako eraikita dago. Eta gure juntura unibertsal industrialaren akoplamendu-lerroa? Zehaztasuna eta sendotasuna gehien garrantzitsuak diren erabilera mota guztiak hartzen ditu.
Egiten dugunaren ehuneko 80 esportatzen da, AEB, Alemania, Japonia, Italia, Malaysia, Australia eta Ekialde Hurbilera, esaterako. Txinan, Hego Korean, Erresuma Batuan, Singapurren, AEBetan eta Espainian ere sare sendoak ditugu, beraz, mundu mailan sendoak gara. Ibilbide horri esker, SWC erresistentzia handiko juntagailu unibertsalen akoplamendu aukera pertsonalizatuak eskain ditzakegu, bezeroek behar dutenari zehatz-mehatz egokituta, makineria astuneko junta unibertsalen akoplamendu sistemetan adibidez, muturreko kargapean egonkor egotea negoziaezina den.
Iraunkortasuna zaintzen dugu eta bezeroak lehenik jartzen dituzten irtenbideak egitea. Hori dela eta, energia aurrezteko juntura unibertsalak akoplatzeko soluzioak garatzen ditugu, transmisioaren % 98,6ko eraginkortasuna lortzen dutenak, potentzia handiko konfigurazioetan energiaren kontsumoa murriztuz. Potentzia handien transmisiorako junta unibertsal akoplamendu eraginkor bat behar duzun ala ez zarata baxuko akoplamendu unibertsal bat zarata arazoa den leku industrialetarako, gure produktuak salmenta osteko zerbitzu osoarekin datoz. Horrela, transmisioaren industrian konfiantzazko bazkide bihurtu gara; ez ditugu piezak saltzen soilik, babeskopiak egiten ditugu.
Helbidea
Luotuo Industrial Area, Zhenhai Barrutia, Ningbo hiria, Txina
Tel
Posta elektronikoa


+86-574-87168065


Luotuo Industrial Area, Zhenhai Barrutia, Ningbo hiria, Txina
Copyright © Raydafon Technology Group Co., Limited Eskubide guztiak erreserbatuta.
Links | Sitemap | RSS | XML | Pribatutasun politika |
