QR kodea
Produktuak
Jarri gurekin harremanetan

Mugikorra

Faxa
+86-574-87168065

Posta elektronikoa

Helbidea
Luotuo Industrial Area, Zhenhai Barrutia, Ningbo hiria, Txina
Zure makineria astunak (pentsa zamak garraiatzen dituen eraikuntzako tresneria edo landaketa denboraldian etenik gabe lan egiten duten nekazaritza uzta-biltzaileak) espazio estuetara egokitzen den baina hala ere momentu handia ematen duen akoplamendua behar badu, Raydafon-en SWP-G Super Short Flex Type Universal Joint Coupling da bilatzen ari zarena. Hazbete bakoitzak balio duen konfigurazio trinko horietarako bereziki eraikita dago, behar duzun potentzia gutxitu gabe.
Lehenik eta behin, hitz egin dezagun bere tamainaz: diseinu "super laburra" hori ez da etiketa bat bakarrik; beste akoplamendu batzuk irits ez daitezkeen leku estuetan sartzeko egina dago, eta hori salbagarria da zure makinaren osagaiak elkarrengandik hurbil daudenean. Bere biraketa-diametroak 225 mm eta 350 mm bitartekoak dira, beraz, tamaina ertaineko ekipamendu astuneko konfigurazioetan egokitzen da. Artikulazio unibertsalaren akoplamendu labur gisa, 5 graduko deslerro angeluarrari aurre egiten dio, makineria gogor dabilenean gertatzen diren aldaketa txikiak kontuan hartzeko nahikoa, 224 kN·m-ko momentua garraiatzen duen bitartean. Eta elementu malgu bat dauka barnean, kolpeak eta bibrazioak xurgatzen dituena, zure beste zatiek higaduraren kalterik jasan ez dezaten.
Materialei ere ez genien txokorik moztu. Erresistentzia handiko altzairuarekin egina dago, iraunkortasunerako eta mugimenduari leuntasuna ematen dioten brontzezko osagaiekin, beraz, eraikuntza-lanetako zakarrei edo baserrietako soroetako hauts eta hondakinei eusten die. Hori dela eta, makineria astunentzako junta unibertsalen akoplamenduen aukera nagusia da; ez du behin bakarrik funtzionatzen, aurrera jarraitzen du, nahiz eta baldintzak nahasten diren. Nekazarientzat, nekazaritzako ekipamendurako akoplamendu malgu fidagarria ere bada, uzta garaiko ordu luzeak hautsi gabe maneiatzeko bezain gogorra.
Raydafon-en, Txinan egiten dugun fabrikazioa ISO 9001 arauak zorrotz betetzen ditu: SWP-G akoplamendu bakoitza kalitatea egiaztatzen da, erabiltzen dugun altzairutik hasi eta elementu malguaren doikuntzaraino. Badakigu ez direla bi lan berdinak, beraz, neurrira egindako irtenbideak ere eskaintzen ditugu: tamainan doikuntza txiki bat behar duzun edo ekiporako doikuntza zehatz bat behar duzun. Eta onena, prezio lehiakorra du: zure espaziora eta zure aurrekontura egokitzen den junta unibertsal iraunkorra lortzen duzu. Handiegiak, ahulegiak edo garestiegiak diren akoplamenduez nekatuta dagoen edonorentzat, SWP-G modelo hau bilatzen ari zaren errendimendu handiko irtenbidea da.
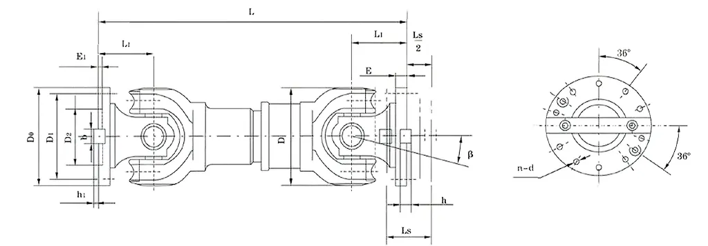
| Eredua | SWP225G | Lotea 250g | SWP285G | SWP315G | SWP350G | |
| D | 225 | 250 | 285 | 315 | 350 | |
| Tn kn.m | 56 | 80 | 112 | 160 | 224 | |
| Tf KN.m | 28 | 40 | 56 | 80 | 112 | |
| β≤ | 5° | 5° | 5° | 5° | 5° | |
| Tamaina (mm) | S | 40 | 40 | 40 | 40 | 50 |
| L | 470 | 600 | 665 | 740 | 850 | |
| D | 275 | 305 | 348 | 360 | 405 | |
| D1 | 248 | 275 | 314 | 328 | 370 | |
| D2(H7) | 135 | 150 | 170 | 185 | 210 | |
| E | 15 | 15 | 18 | 18 | 22 | |
| E1 | 5 | 5 | 7 | 7 | 8 | |
| b-h | 32-18 | 40-18 | 40-24 | 40-24 | 50-32 | |
| h1 | 9 | 9 | 12 | 12 | 16 | |
| L1 | 80 | 100 | 120 | 135 | 150 | |
| n-d | 10-15 | 10-17 | 10-19 | 10-19 | 10-21 | |
| M (kg) | 78 | 142 | 190 | 260 | 355 | |
* Oharra: markatzeko adibideak: biraketa-diametroa D=315mm, zatiaren luzera L=620mm, G mota-Laburra flex motarik gabe SWP315GX620 akoplamendua
Raydafon-en SWP-G Super Short Flex Type Universal Joint Akoplamendua malgutasuna eta potentzia behar dituzun leku estuetarako eraikita dago. Pieza handietarako lekurik ez duten espazioetan momentua eraginkortasunez mugitzeko egina dago, nahiz eta ardatzak ezin hobeto lerrokatuta egon. Hau ez da edozein akoplamendu: pare handiko juntagailu unibertsal bat da, luzera laburra behar duzunean distira egiten duena baina errendimendua gutxitzeari uko egiten diona, karga astunetan ere.
Hartu eraikuntza ekipoak eta makineria astuna, adibidez. Lurzoru gogorrean zulatzen ari diren hondeamakinak, kargagailuak material tona mugitzen dituzte; denek espazio estuak dituzte, non piezak elkarrengandik igurzten diren. SWP-G makineria industrialerako juntagailu unibertsal fidagarri gisa egokitzen da, bibrazioak xurgatzen ditu eta makina hauek etengabeko mugimendua maneiatzen dute. Diseinu oso laburra muntaketa estuetan sartzen da zalapartarik gabe, energia behar duen tokira iristen dela ziurtatuz, iraunkortasuna edo funtzionamenduari uko egin gabe.
Nekazariek ere eskertuko dute. Traktoreak soro irregularrak goldatzen dituzte, uzta-biltzaileek lur malkartsuetan lan egiten dute: ibilaldi gorabeheratsuei eta abiadura aldakorrekin jarraitu dezaketen akoplamenduak behar dituzte. SWP-G honek juntura unibertsal sendo gisa jarduten du nekazaritzako engranajeetako eragile-ardatzetarako, errepidez kanpoko lanekin etortzen diren angelu-desegokietara egokituz. Horrek esan nahi du makineriaren higadura gutxiago, eta, beraz, denbora gehiago irauten du, nahiz eta eremuko baldintzak gogorrak izan.
Itsas konfigurazioek ere maite dute, batez ere itsasontzietako motorraren konpartimentu estuetan. Ur gaziak eta hezetasunak ez dute aukerarik bere korrosioarekiko erresistentea den eraikuntzaren aurka, eta itsas-juntura unibertsalaren akoplamendu gisa onena da. Olatuen karga dinamikoa eta propultsio sistemen bultzada kudeatzen ditu, gauzak ondo funtzionatzen jarraituz itsasoan edo portu okupatu batean egon.
Eta ez ditzagun ahaztu energia berriztagarriak: haize-sorgailuak gora dabiltza, eguzki-jarraigailuak eguzkiarekin batera mugitzen dira. Sistema hauek kontrol zehatza behar dute espazio mugatuetan, eta SWP-G energia berriztagarrien ekipamenduetarako juntagailu unibertsal polifazetikoa da. Momentu handia kudeatzen du erreakzio handirik gabe, eta, beraz, errendimendu fidagarria lortzen duzu mantentze-lan gutxirekin, ezin hobea da energia jasangarriko sistemak indartsu mantentzeko.
Raydafonen, ez dugu SWP-G saltzen soilik, zure beharretara egokitzen dugu. Eraikuntzako tresneria, baserriko makineria, itsasontzi edo energia berriztagarrien konfigurazioetan lanean ari zaren ala ez, eraikitzen ari zarenari zehatz-mehatz egokitzeko egokitu dezakegu. Akoplamendu honek zure eragiketak leunagoak nola egin ditzakeen ikusi nahi baduzu, jarri harremanetan gure taldera. Espazio estuetarako eta lan gogoretarako zergatik den aukera adimenduna erakutsiko dizugu.
Raydafon-en SWP-G Super Short Flex Type Universal Joint Coupling nabarmentzen da bere eraikuntza trinkoagatik; gauza hau espazioa lehenbailehen dagoen konfigurazio mekaniko estuetan sartzeko diseinatuta dago, baina ez du sekula malgutasuna edo momentua gutxitzen. Momentu handiko lanekin ari bazara, maila goreneko pare handiko junta unibertsal akoplamendu bat da: malgutasun-elementu aurreratuak ditu, angelu-desalignamendu nahiko handiak kudeatzeko aukera ematen dutenak, errendimendua nahastu gabe, hau da, makineria martxan jarri ahala ardatzak aldatzen diren ingurune dinamikoetarako joko-aldaketa bat da.
Iraunkortasuna beste garaipen handi bat da hemen. Material gogorrak eta erresistentzia handikoak erabiltzen ditugu eta pieza guztiak zehaztasunez eraikitzen ditugu, beraz, higadurari eta nekeari aurre egiten dio etenik gabe martxan dagoen arren. Horrek juntura unibertsal akoplamendu sendo bat bihurtzen du industria-makineriarako; pentsa egun osoan funtzionatzen duten ponpak edo konpresoreak karga etengabean. Kolpeak eta bibrazioak xurgatzen ditu, potentzia transmisioa egonkor mantenduz, zure ekipoak alferrikako tentsiorik ez har dezan.
Bere luzera oso laburra gidatzeko sistemetarako ere salbagarria da. Automobilgintzako edo garraioko konfigurazioetan lanean ari zarenean, hazbete bakoitzak axola du, eta akoplamendu hau ondo egokitzen da ardatz eragileetarako juntagailu unibertsal eraginkor gisa. Torlojudun edo giltzadun konexioak erabiltzen ditu, beraz, azkar lotzea da eta gero mantentze-denbora murrizten du. Gainera, mugimendu axialak ondo kudeatzen ditu, beraz, ez duzu kezkatu beharrik irrist egiteaz edo gaizki moldatuz piezak erabileran zehar aldatzen diren heinean.
Korrosioarekiko erresistentzia? Hori estalita dauka. Gauza gogorrei aurre egiten dieten estaldura babesgarriak gehitzen ditugu, itsasoko konfigurazioetako ur gazia adibidez. Hori dela eta, ondo funtzionatzen du propultsio-sistemetarako itsas-juntura unibertsalaren akoplamendu gisa: itsasoan dauden gatz-ihintzak eta karga aldagarriak maneiatu ditzake herdoildu edo matxuratu gabe, itsasontziak arin ibiliz.
Eta konfigurazio ekologikoetan zentratzen bazara, akoplamendu honek hor ere ematen du. Energia zehatz-mehatz transferitzen du ia erreakziorik gabe, beraz, ez du energia alferrik galtzen. Horrek akoplamendu unibertsal fidagarri bihurtzen du energia berriztagarrietarako ekipoetarako, aproposa haizearekin biraka egiten duten aerosorgailuentzat edo eguzkiarekin mugitzen diren eguzki-jarraigailuentzat. Sistema jasangarri horiek eraginkortasunez funtzionatzen mantentzen du, hau da, energia berdearen proiektuetarako behar duzuna.
Raydafonen, SWP-G bakoitzak kalitate estandar zorrotzak betetzen dituela ziurtatzen dugu, eta zure beharretara egokitzeko molda dezakegu: beste estaldura bat behar duzun ala ez, luzera apur bat egokitua edo konexio pertsonalizatua behar duzun. Bere zehaztapenei buruz edo zure konfigurazioan nola integratu nahi baduzu, hitz egin gure espezialistekin. Zure makineriak behar duena lortzen lagunduko dizugu.
⭐⭐⭐⭐⭐ Li Jian, Senior Ingeniaria, Shanghai Industrial Equipment Co., Ltd.
Raydafon-en SWP-G Super Short Flex Type Universal Joint Coupling izan dugu gure ekoizpen-lerroan orain hilabete batzuk, eta zintzotasunez gainditu du espero genuena. Gure makinak beti egon dira espazioan (hazbete bakoitzak axola du) eta akoplamendu honen diseinu trinkoa beraientzat egina izan den bezala egokitzen da, ez dago piezak estutu gehiago lekua egiteko. Baina funtzioa ere ez du gutxitzen: deslerrotasun apur bat dagoenean ere (erabilera handiarekin saihestezina dena), bere malgutasunak potentziaren transmisioa leun mantentzen du, ez da kolperik edo kolperik.
Gogorra da, gainera: momentu handiko zereginak kudeatzen ditu izerdirik bota gabe, eta hilabeteak korrika egin ondoren, apenas ikusi dugu higadurarik. Instalazioa ere lan azkarra izan zen; gure taldeak denbora gutxian sortu zuen, eta fidagarria da harrezkero. Espazio mugatua duten ekipamenduak oraindik funtzionamendu astuna behar duen edonorentzat, akoplamendu hau hutsa da.
⭐⭐⭐⭐⭐ Emily Walker, New York Manufacturing Solutions, AEBko zuzendari teknikoa
Gure akoplamendu zahar eta handiak Raydafon-en SWP-G-rekin aldatu genituen New Yorkeko instalazioetan, eta aldea nabaria zen lehen egunetik. Unitate zahar haiek leku gehiegi hartzen zuten eta beti trakets sentitzen ziren, baina hau leku estuetan sartzen da, eta potentzia transferentzia? Leun eta finkoa, makinak karga handiak maneiatzeko bultzatzen ari garenean ere.
Garaipenik handiena, ordea, geldialdia da. Aste gutxitan produkzioa gelditzen genuen akoplamendu zaharrak moldatzeko edo konpontzeko, baina honekin? Ia batere. Mantentze-kostuak ere jaitsi egin dira, ez dira maizago piezaren ordezkapenik edo larrialdiko konponketarik. Eta instalazioari buruzko galdera bat izan genuenean, Raydafonen bezeroarentzako arreta-zerbitzuak azkar itzuli zigun erantzun argiekin. Dagoeneko beraien produktuak gure hurrengo bertsio berritzeko erabiltzeko asmoa dugu; gure konfiantza irabazi dute.
⭐⭐⭐⭐⭐ Andrea Rossi, Operazio zuzendaria, Milan Engineering, Italia
Raydafon-en SWP-G akoplamendua gure Milango makineriari gehitzea gure doitasun handiko lanerako egin dugun dei onenetako bat izan da. Gure lan-lerroan, espazioa eta lerrokatzeak apurtu edo apurtu egiten dira; pieza bat handiegia bada edo ezin badu lerrokadura txikiak kudeatu, prozesu osoa botatzen du. Akoplamendu honek bi laukiak egiaztatzen ditu: bere tamaina txikia gure konfigurazio estuetara egokitzen da, eta diseinu malguak eragiketak leun mantentzen ditu, behar ditugun doikuntza txikiak edozein direla ere.
Instalatu genuenetik, mantentze-laneko buruhauste gutxiago izan ditugu; ez da gehiago produkzioa gelditu lerrokatze-arazoak konpontzeko edo gastatutako piezak ordezkatzeko. Eta abiadura handian exekutatzen dugunean (egunero egiten duguna), primeran eusten du. Iraunkortasunari dagokionez, espero genuena ere gainditu du; hilabete asko erabili ondoren, itxura berria du eta funtzionatzen du. Doitasun-lanetarako kalitate handiko akoplamendu bat behar baduzu, Raydafon-en bidea da.
⭐⭐⭐⭐⭐ Jean-Claude Lefevre, Mantentze arduraduna, Lyon Mechanical Works, Frantzia
Sei hilabete baino gehiago daramatzagu Raydafon-en SWP-G akoplamendua gure makinetan exekutatzen, eta joko-aldaketa bat izan da gure taldearentzat. Lehenik eta behin, diseinu trinkoa: gure ekipamenduak espazio estuak ditu eta akoplamendu hau zuzenean sartzen da beste pieza batzuk berrantolatzeko beharrik gabe. Ondoren, malgutasuna dago: gure makinen estresa kentzen du, eta horrek beste osagaien higadura gutxiago eta matxura gutxiago esan nahi du.
Zama astunak exekutatzen ari garenean ere, bere errendimendua koherentea izaten jarraitzen du: ez dago beherakadarik, ez zarata arrarorik, funtzionamendu fidagarria besterik ez. Instalazioa erraza zen, gainera; gure teknikariek ez zuten ordurik eman behar hori asmatzen. Zatirik onena? Gure produkzio-lerroaren eraginkortasuna asko igo da orain, geldialdi-denbora gutxiagori esker. Erabat Raydafonen produktuak erabiltzen jarraituko dugu; akoplamendu honek frogatu du merezi duela.
Raydafon-en SWP-G Super Short Flex Type Universal Joint Coupling-ek momentu-transmisio malgua erabiliz funtzionatzen du; pentsa ezazu konexioa hautsi gabe apur bat mugi daitekeen ardatzen arteko zubi gisa. Elementu elastomerikoak erabiltzen ditu (goma itxurako pieza malguak egiteko) deslerroak kudeatzeko, energia ardatz batetik bestera iristen dela ziurtatzen duen bitartean energia xahutu gabe. Torque handiko juntagailu unibertsal konpaktu gisa, erdiko disko edo armiarma malgu bat dauka, angelu-, axial eta erradialak desplazamenduak xurgatzen dituena; beraz, ardatzak ondo lerrokatuta ez dauden arren, biraketa leuna izaten jarraitzen du, hazbete bakoitzak balio duen espazio estu horietan ere.
Funtzionatzen duenaren muina bere diseinu oso laburrean dago. Kargapean apur bat tolestu daitezkeen osagai gogorrak eta malguak konbinatzen ditu desplazamenduak konpentsatzeko, eta horrek estres gehiegi ez du zure makineria kolpatzeko. Horregatik, hain akoplamendu unibertsal sendoa da industria-makineriarako: abiadurak edo kargak aldatu, biraketa-indarra gainditzen du ia atzerakadarik gabe, zure ekipoak egonkor egon daitezen.
Hona hemen matxura: sarrerako ardatzak biraka egiten du, eta horrek elementu malgua mugitzen du, eta elementu horrek, ondoren, momentua irteerako ardatzera eramaten du nahikoa flexionatuz: ez da kolperik, ez bat-bateko geldialdirik. Ardatz eragileentzako gauza handia da, eta motor-ardatzetarako akoplamendu unibertsal fidagarria bihurtzen da automozioko trenak bezalako konfigurazioetan, non lerrokadura zehatza behar duzun baina lan egiteko leku handirik ez duzun.
Gauzak zakartzen direnean —itsas-inguruneetan bezala olatuek itsasontzia botatzen dutenean— SWP-G-ren diseinu malguak bibrazioak eta kolpeak hartzen ditu, eta horrek gehiago irauten laguntzen du. Itsasoko junta unibertsalaren akoplamendu gogorra da, pieza malgu horiek korrosioari aurre egiten diotelako eta olatuen joan-etorriko mugimenduari aurre egiten diotelako, propultsio eraginkorra mantenduz, ura nola nahasia izan arren.
Eta energia berdearen konfigurazioetarako? Printzipio honek distira egiten du hor ere. Energia modu eraginkorrean mugitzen du, ia galerarik gabe, eta energia berriztagarrien ekipoetarako juntagailu unibertsal bikaina da. Eguzki-jarraitzaile trinkoetan edo aerosorgailu txikietan, gauzak ondo funtzionatzen jarraitzen du energia alferrik galdu gabe, eraginkortasun guztiak balio duen sistema jasangarrietarako aproposa.
Raydafonen, SWP-G eraikitzen dugu fidagarria izan dadin eta zure behar zehatzetarako prest egoteko. Xehetasun teknikoak nahi badituzu edo zure konfigurazioan nola egokitzen den jakiteko laguntza behar baduzu, gure espezialistek hemen daude horretaz ezagutzera emateko: jergorik gabe, erantzun zuzenak besterik ez.
Helbidea
Luotuo Industrial Area, Zhenhai Barrutia, Ningbo hiria, Txina
Tel
Posta elektronikoa


+86-574-87168065


Luotuo Industrial Area, Zhenhai Barrutia, Ningbo hiria, Txina
Copyright © Raydafon Technology Group Co., Limited Eskubide guztiak erreserbatuta.
Links | Sitemap | RSS | XML | Pribatutasun politika |
